

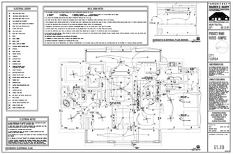
The Electrical Plan is used to locate outlets, smoke detectors, wall switches, TV and computer receptacles, lighting fixtures, and much more. In addition to locating these items, the types are also indicated: lighting fixtures are depicted as a fan, recessed can, incandescent, fluorescent, track, etc. An electrical legend is included on this sheet as well and is used during the design process as a checklist of items to review with the client.